Clamping Unit
Jeropeeske 2 platenklem-ienheid, unyk ûntwerp foar tie-barren, mei ûnôfhinklike skimmeloanpassingen en skimmelbeskoatteljen, dy't soargje foar krekte en betroubere hege drukfoarm tichtby.
Fergelykje mei normale toggle-masine, de masinegrutte is lytser, mar de ôfstân fan de tie-bar is grutter, de iepen slach fan 'e skimmel is grutter, ejector-stroke is langer.
Ferlingje beweechbere plaat slide, mear geskikt foar djippe holte skimmel, te hâlden de masine stabyl.
Injection Unit
Untwerp fan ien ynjeksje-ienheid foar in hiele ienheid, spesjaal ûntwerp foar skroef en barrel, om derfoar te soargjen dat flugger plastisearjen - ing, bettere kleurmixing, en minder oplaadtiid.
Opsjoneel foar oplaadfunksje foar elektryske motor, mei pneumatyske útsluting -út sproeier, kin de funksje foar lading op fleane berikke.
Hydraulic Unit
Sync servomotor makket effisjinsjerespons en kapasiteit mooglik en biedt poerbêste prestaasjes yn enerzjybesparring.
Elektryske ienheid
Hege druk clamp iepening funksje, better foar de djippe holte schimmel nedich grutte iepening schimmel krêft.
Standert kearn op fleanfunksje, om de syklustiid te ferkoartjen.

Turnkey oplossing
|
HMD DU SERIES |
||||||
|
Model |
Masine |
Klemkracht |
Shot gewicht |
Mold dikte |
Stook iepening |
Romte tusken |
|
T |
g |
mm |
mm |
mm×mm |
||
|
50 l bak |
HMD 1080DU |
1080 |
4723 |
480-1200 |
2070/1350 |
1260×1120 |
|
60 l bak |
HMD1080DU |
1080 |
4723 |
480-1200 |
2070/1350 |
1260×1120 |
|
100 l bak |
HMD1200DU |
1200 |
5657 |
600-1280 |
2110/1430 |
1320×1200 |
|
120 l bak |
HMD1600-1850DU |
1600 |
9391 |
650-1600 |
2750/1800 |
1620×1460 |
|
240 l bak |
HMD1850-2100DU |
1850 |
14637 |
700-1650 |
2750/1800 |
1720×1560 |
|
240 l bak |
HMD2100DU |
2100 |
14637 |
700-1900 |
3300/2100 |
1820×1620 |
|
HMD M8S SERIES |
||||||
|
Model |
Masine |
Klemkracht |
Shot gewicht |
Mold dikte |
Stook iepening |
Romte tusken |
|
T |
g |
mm |
mm |
mm×mm |
||
|
50L deksel |
HMD320M8S |
320 |
1042 |
250-670 |
640 |
680×660 |
|
60l deksel |
HMD320M8S |
320 |
1042 |
250-670 |
640 |
680×660 |
|
100L deksel |
HMD400M8S |
400 |
1646 |
250-730 |
710 |
730×710 |
|
120L deksel |
HMD500M8S |
500 |
1858 |
300-820 |
780 |
830×830 |
|
240L deksel |
HMD680M8S |
680 |
2837 |
350-910 |
920 |
930×930 |
Spesifikaasjes
|
PARAMETER |
IENHEID |
HMD1080DU |
HMD1200DU |
|
ynternasjonale grutte rating |
-- |
||
|
INJECTION UNIT |
|||
|
Ynjeksje folume (teoretysk) |
cm³ |
5190 |
6218 |
|
Ynjeksjegewicht (PS) |
g |
4723 |
5657 |
|
oz |
166.6 |
213 |
|
|
Ynjeksje rate |
g/s |
1138 |
1096 |
|
Screw diameter |
mm |
115 |
120 |
|
Ynjeksje druk |
MPa |
153 |
159 |
|
Screw L / D ferhâlding |
-- |
21:1 |
21:1 |
|
Screw stroke |
mm |
500 |
550 |
|
Screw snelheid (stapleas) |
r/min |
0~133 |
0~109 |
|
CLAMPING UNIT |
|||
|
Klemkracht |
kN |
10800 |
12000 |
|
Mold Opening stroke |
mm |
2070/1350 |
2110/1430 |
|
Platen grutte |
mm×mm |
1800×1660 |
1880×1760 |
|
Romte tusken tie bars |
mm×mm |
1260×1120 |
1320×1200 |
|
Max.deiljocht |
mm |
2550 |
2710 |
|
Schimmeldikte (Min-Max) |
mm |
480-1200 |
600-1280 |
|
Hydraulic útstjit stroke |
mm |
330 |
330 |
|
Hydraulyske útstjitkrêft |
kN |
230 |
230 |
|
POWER UNIT |
|||
|
Hydraulic systeem druk |
MPa |
17.5/21 |
16/17.5 |
|
Pomp motor macht |
kW |
62+62+13 |
60+60+48+17 |
|
Heater macht |
kW |
65.9 |
75 |
|
Oantal temp control sônes |
-- |
7 |
7 |
|
OTHERS |
|||
|
Oalje tank kapasiteit |
L |
1300 |
1800 |
|
Machine ôfmjittings (L × B × H) |
m×m×m |
10.5×3.6×3.5 |
11.8×3.7×3.32 |
|
Machine gewicht |
kg |
50000 |
60000 |
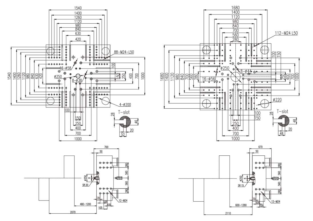
Platen Dimension

heale ferkeap...: abs spuitmasjine, Sina abs spuitmasjine fabrikanten, leveransiers, fabryk

